| Tình trạng sẵn có: | |
|---|---|
| Số: | |
Vòng bi bánh răng bên trong mỏng
XZWD
8482800000
Vòng bi xoay bao gồm hai vòng, mỗi vòng chứa một đường đua chính xác được tạo ra trên bề mặt đến một độ sâu được chỉ định. Mỗi vòng được làm từ một lỗ thép carbon trung bình. Vòng bi có các mặt đua được xây dựng trong cấu hình tiếp xúc bốn điểm, với các góc tiếp xúc 45 ° theo tiêu chuẩn. Các cấu hình đường đua khác có sẵn, chẳng hạn như con lăn chéo và tiếp xúc bốn điểm. Những tùy chọn khác thường được xem xét trong trường hợp tải trọng rất cao hoặc yêu cầu độ cứng đặc biệt.
Vòng bi xoay là cần thiết khi ở trong một máy hoặc hệ thống nhất định, một bộ phận cấu trúc cần xoay theo hướng ngược lại sang một trục cố định dọc theo một trục cố định, trong khi đảm bảo liên kết trục và xuyên tâm giữa hai phần.
Vòng bi có trọng lượng nhẹ có cấu trúc giống nhau với bình thường Vòng bi xoay, nhưng trọng lượng là nhẹ, và xoay linh hoạt.
Ứng dụng vòng bi có trọng lượng nhẹ:
1.Máy móc thực phẩm,
2. Máy móc
3. Máy móc môi trường, v.v.
Khả năng xoay tròn trọng lượng nhẹ:
Danh mục vòng bi có trọng lượng nhẹ:
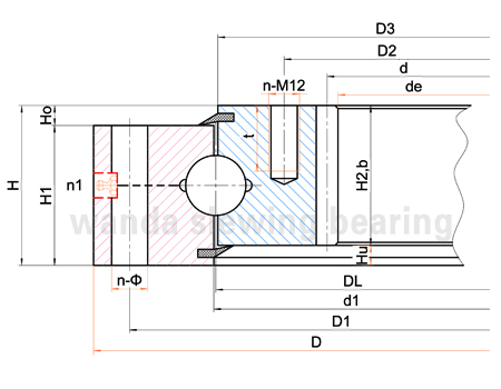
| Kiểu mẫu | Kích thước (mm) | Kích thước gắn (mm) | |||||||
| D | de | H | D1 | D2 | n | Φ | M | t | |
| WD-062.20.0414 | 486 | 326.5 | 56 | 460 | 375 | 24 | 13.5 | 12 | 20 |
| WD-062.20.0544 | 616 | 445.2 | 56 | 590 | 505 | 32 | 13.5 | 12 | 20 |
| WD-062.20.0644 | 716 | 547.2 | 56 | 690 | 605 | 36 | 13.5 | 12 | 20 |
| WD-062.20.0744 | 816 | 649.2 | 56 | 790 | 705 | 40 | 13.5 | 12 | 20 |
| WD-062.20.0844 | 916 | 737.6 | 56 | 890 | 805 | 40 | 13.5 | 12 | 20 |
| WD-062.20.0944 | 1016 | 841.6 | 56 | 990 | 905 | 44 | 13.5 | 12 | 20 |
| WD-062.20.1094 | 1166 | 985.6 | 56 | 1140 | 1055 | 48 | 13.5 | 12 | 20 |
Ghi chú:
1. N1 là số lượng lỗ bôi trơn. Dầu Cup M8 × 1JB/T7940.1 ~ JB/T7940.
2. Vị trí của núm vú dầu có thể thay đổi theo ứng dụng của người dùng.
3. "km " là giảm phụ lục; M: Mô -đun; Z: Răng nos.
4. Đối với công suất đường cong tải, vui lòng tải xuống danh mục của chúng tôi để xoay vòng.
Nếu bạn có bất kỳ câu hỏi, xin vui lòng liên hệ với chúng tôi.
Vòng bi xoay bao gồm hai vòng, mỗi vòng chứa một đường đua chính xác được tạo ra trên bề mặt đến một độ sâu được chỉ định. Mỗi vòng được làm từ một lỗ thép carbon trung bình. Vòng bi có các mặt đua được xây dựng trong cấu hình tiếp xúc bốn điểm, với các góc tiếp xúc 45 ° theo tiêu chuẩn. Các cấu hình đường đua khác có sẵn, chẳng hạn như con lăn chéo và tiếp xúc bốn điểm. Những tùy chọn khác thường được xem xét trong trường hợp tải trọng rất cao hoặc yêu cầu độ cứng đặc biệt.
Vòng bi xoay là cần thiết khi ở trong một máy hoặc hệ thống nhất định, một bộ phận cấu trúc cần xoay theo hướng ngược lại sang một trục cố định dọc theo một trục cố định, trong khi đảm bảo liên kết trục và xuyên tâm giữa hai phần.
Vòng bi có trọng lượng nhẹ có cấu trúc giống nhau với bình thường Vòng bi xoay, nhưng trọng lượng là nhẹ, và xoay linh hoạt.
Ứng dụng vòng bi có trọng lượng nhẹ:
1.Máy móc thực phẩm,
2. Máy móc
3. Máy móc môi trường, v.v.
Khả năng xoay tròn trọng lượng nhẹ:
Danh mục vòng bi có trọng lượng nhẹ:
| Kiểu mẫu | Kích thước (mm) | Kích thước gắn (mm) | |||||||
| D | de | H | D1 | D2 | n | Φ | M | t | |
| WD-062.20.0414 | 486 | 326.5 | 56 | 460 | 375 | 24 | 13.5 | 12 | 20 |
| WD-062.20.0544 | 616 | 445.2 | 56 | 590 | 505 | 32 | 13.5 | 12 | 20 |
| WD-062.20.0644 | 716 | 547.2 | 56 | 690 | 605 | 36 | 13.5 | 12 | 20 |
| WD-062.20.0744 | 816 | 649.2 | 56 | 790 | 705 | 40 | 13.5 | 12 | 20 |
| WD-062.20.0844 | 916 | 737.6 | 56 | 890 | 805 | 40 | 13.5 | 12 | 20 |
| WD-062.20.0944 | 1016 | 841.6 | 56 | 990 | 905 | 44 | 13.5 | 12 | 20 |
| WD-062.20.1094 | 1166 | 985.6 | 56 | 1140 | 1055 | 48 | 13.5 | 12 | 20 |
Ghi chú:
1. N1 là số lượng lỗ bôi trơn. Dầu Cup M8 × 1JB/T7940.1 ~ JB/T7940.
2. Vị trí của núm vú dầu có thể thay đổi theo ứng dụng của người dùng.
3. "km " là giảm phụ lục; M: Mô -đun; Z: Răng nos.
4. Đối với công suất đường cong tải, vui lòng tải xuống danh mục của chúng tôi để xoay vòng.
Nếu bạn có bất kỳ câu hỏi, xin vui lòng liên hệ với chúng tôi.
Nhà | Về chúng tôi | Các sản phẩm | Tin tức | Ứng dụng | Ủng hộ | Liên hệ chúng tôi
