| Tình trạng sẵn có: | |
|---|---|
| Số: | |
A Vòng bi xoay hoặc xoay [ing] vòng là một vòng quayổ trục hoặc vòng bi trượt Điều đó thường hỗ trợ tải trọng dao động nặng hoặc chậm hoặc chậm, thường là một nền tảng ngang như thông thường máy trục, một Sân xoay, hoặc nền tảng hướng gió của trục ngang cối xay gió. (TO "Slew " có nghĩa là biến mà không thay đổi vị trí.)
So với các vòng bi phần tử lăn khác, vòng bi xoay mỏng trong phần và thường được làm trong đường kính của một mét trở lên; vòng bi xoay trên Bánh xe Falkirk có đường kính 4 mét và vừa vặn trên trục 3,5 mét. Vòng bi xoay giống như vòng bi điều khiển máy bay quá khổ.
Vòng bi xoay thường sử dụng hai hàng các yếu tố lăn. Họ thường sử dụng ba cuộc đua Các phần tử, chẳng hạn như vòng bên trong và hai vòng ngoài "Halves " Kẹp lại với nhau một cách theo tỷ lệ.
Vòng bi xoay thường được tạo ra với tích phân răng với chủng tộc bên trong hoặc bên ngoài, Được sử dụng để điều khiển nền tảng so với cơ sở.
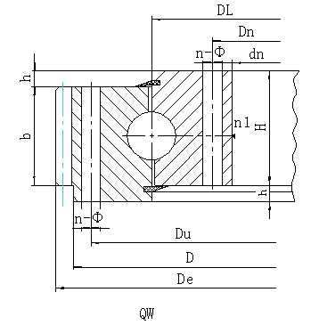
KHÔNG. | Kiểu mẫu | Kích thước (mm) | Kích thước gắn (mm) | Cấu trúc Kích thước (mm) | Dữ liệu thiết bị | ||||||||||||
Thiết bị bên ngoài | H | Du | DN | n | Xuyên qua hố A | Chủ đề hố B/c/d | N1 Dầu tách QTY | h | B | m | x = -0.5 | ||||||
De | Bánh răng QTY z | Cân nặng | |||||||||||||||
D | d | φ | D1 | T | |||||||||||||
mm | mm | mm | mm | Kilôgam | |||||||||||||
1 | QW.315.20 | 406 | 222 | 60 | 370 | 260 | 10 | 17 | M16 | 24 | 2 | 10 | 40 | 3 | 423 | 140 | 35 |
QW.315.20a | 4 | 428 | 106 | 36 | |||||||||||||
2 | QW.355.20 | 446 | 262 | 60 | 410 | 300 | 10 | 17 | M16 | 24 | 2 | 10 | 40 | 3 | 462 | 153 | 40 |
QW.355.20a | 4 | 468 | 116 | 41 | |||||||||||||
3 | QW.400.20 | 490 | 307 | 60 | 455 | 345 | 12 | 17 | M16 | 24 | 2 | 10 | 40 | 4 | 512 | 127 | 45 |
QW.400.20a | 5 | 520 | 103 | 47 | |||||||||||||
4 | QW.450.20 | 540 | 357 | 60 | 505 | 395 | 12 | 17 | M16 | 24 | 2 | 10 | 40 | 4 | 564 | 140 | 51 |
QW.450.20a | 5 | 570 | 113 | 53 | |||||||||||||
5 | QW.500.20 | 590 | 407 | 60 | 555 | 445 | 14 | 17 | M16 | 24 | 2 | 10 | 40 | 5 | 615 | 122 | 56 |
QW.500.20a | 6 | 624 | 103 | 58 | |||||||||||||
6 | QW.560.20 | 654 | 464 | 70 | 618 | 502 | 14 | 17 | M16 | 30 | 2 | 10 | 50 | 4 | 680 | 169 | 78 |
QW.560.20a | 5 | 685 | 136 | 79 | |||||||||||||
7 | QW.630.20 | 724 | 534 | 70 | 688 | 572 | 16 | 17 | M16 | 30 | 2 | 10 | 50 | 4 | 748 | 186 | 86 |
QW.630.20a | 5 | 755 | 150 | 88 | |||||||||||||
8 | QW.710.20 | 804 | 614 | 70 | 768 | 652 | 18 | 17 | M16 | 30 | 2 | 10 | 50 | 5 | 835 | 166 | 99 |
QW.710.20a | 6 | 840 | 139 | 101 | |||||||||||||
9 | QW.800.20 | 894 | 704 | 70 | 858 | 742 | 20 | 17 | M16 | 30 | 2 | 10 | 50 | 6 | 930 | 154 | 114 |
QW.800.20a | 8 | 936 | 116 | 114 | |||||||||||||
10 | QW.800.25 | 904 | 692 | 78 | 864 | 736 | 18 | 22 | M20 | 36 | 2 | 10 | 58 | 6 | 942 | 156 | 143 |
QW.800.25a | 8 | 952 | 118 | 147 | |||||||||||||
11 | QW.900.25 | 1004 | 792 | 78 | 964 | 836 | 20 | 22 | M20 | 36 | 2 | 10 | 58 | 8 | 1048 | 130 | 162 |
QW.900.25a | 10 | 1060 | 105 | 168 | |||||||||||||
12 | QW.1000.25 | 1104 | 892 | 78 | 1064 | 936 | 24 | 22 | M20 | 36 | 2 | 10 | 58 | 8 | 1152 | 143 | 182 |
QW.1000.25a | 10 | 1160 | 115 | 185 | |||||||||||||
13 | QW.1000.32 | 1120 | 876 | 90 | 1074 | 926 | 24 | 24 | M22 | 40 | 2 | 10 | 70 | 8 | 1160 | 144 | 227 |
QW.1000.32a | 10 | 1170 | 116 | 232 | |||||||||||||
14 | QW.1120.32 | 1240 | 996 | 90 | 1194 | 1046 | 28 | 24 | M22 | 40 | 4 | 10 | 70 | 10 | 1300 | 129 | 272 |
QW.1120.32a | 12 | 1308 | 108 | 275 | |||||||||||||
15 | QW.1250.32 | 1370 | 1126 | 90 | 1324 | 1176 | 32 | 24 | M22 | 40 | 4 | 10 | 70 | 10 | 1430 | 142 | 302 |
QW.1250.32a | 12 | 1440 | 119 | 309 | |||||||||||||
16 | QW.1400.32 | 1520 | 1276 | 90 | 1474 | 1326 | 36 | 24 | M22 | 40 | 4 | 10 | 70 | 12 | 1584 | 131 | 337 |
QW.1400.32a | 14 | 1596 | 113 | 347 | |||||||||||||
17 | QW.1250.40 | 1390 | 1108 | 102 | 1336 | 1164 | 32 | 26 | M24 | 45 | 4 | 12 | 80 | 10 | 1450 | 144 | 396 |
QW.1250.40A | 12 | 1452 | 120 | 392 | |||||||||||||
18 | QW.1400.40 | 1540 | 1258 | 102 | 1486 | 1314 | 36 | 26 | M24 | 45 | 4 | 12 | 80 | 12 | 1608 | 133 | 448 |
QW.1400.40A | 14 | 1610 | 114 | 443 | |||||||||||||
19 | QW.1600.40 | 1740 | 1458 | 102 | 1686 | 1514 | 40 | 26 | M24 | 45 | 4 | 12 | 80 | 12 | 1812 | 150 | 528 |
QW.1600.40A | 14 | 1820 | 129 | 534 | |||||||||||||
20 | QW.1800.40 | 1940 | 1658 | 102 | 1886 | 1714 | 44 | 26 | M24 | 45 | 4 | 12 | 80 | 14 | 2016 | 143 | 583 |
QW.1800.40A | 16 | 2032 | 126 | 607 | |||||||||||||
21 | QW.1600.50 | 1762 | 1434 | 124 | 1704 | 1496 | 40 | 30 | M27 | 50 | 4 | 12 | 100 | 12 | 1824 | 151 | 714 |
QW.1600.50A | 14 | 1834 | 130 | 727 | |||||||||||||
22 | QW.1800.50 | 1964 | 1634 | 124 | 1904 | 1696 | 44 | 30 | M27 | 50 | 4 | 12 | 100 | 14 | 2044 | 145 | 845 |
QW.1800.50A | 16 | 2048 | 127 | 843 | |||||||||||||
23 | QW.2000.50 | 2162 | 1834 | 124 | 2104 | 1896 | 48 | 30 | M27 | 50 | 6 | 12 | 100 | 16 | 2240 | 139 | 912 |
QW.2000.50A | 18 | 2250 | 124 | 927 | |||||||||||||
24 | QW.2240.50 | 2402 | 2074 | 124 | 2344 | 2136 | 54 | 30 | M27 | 50 | 6 | 12 | 100 | 16 | 2480 | 154 | 1020 |
QW.2240.50A | 18 | 2502 | 138 | 1078 | |||||||||||||
25 | QW.2500.50 | 2662 | 2334 | 124 | 2604 | 2396 | 60 | 30 | M27 | 50 | 6 | 12 | 100 | 18 | 2754 | 152 | 1171 |
QW.2500.50A | 20 | 2760 | 137 | 1175 | |||||||||||||
26 | QW.2500.60 | 2696 | 2304 | 150 | 2626 | 2374 | 60 | 33 | M30 | 56 | 6 | 14 | 122 | 18 | 2790 | 154 | 1677 |
QW.2500.60a | 20 | 2800 | 139 | 1701 | |||||||||||||
Ghi chú:
1. N1 là số lượng lỗ bôi trơn. Dầu Cup M10 × 1JB/T7940.1 ~ JB/T7940.
2. núm vú dầu Vị trí có thể thay đổi theo ứng dụng của người dùng.
3. N-có thể thay đổi thành lỗ khai thác, đường kính của lỗ khai thác là M và độ sâu là 2m.
4. Lực răng tiếp tuyến ở dạng là lực răng tối đa; Lực răng tiếp tuyến danh nghĩa là 1/2 của tối đa.
5. "K " là hệ số giảm phụ lục.
A Vòng bi xoay hoặc xoay [ing] vòng là một vòng quayổ trục hoặc vòng bi trượt Điều đó thường hỗ trợ tải trọng dao động nặng hoặc chậm hoặc chậm, thường là một nền tảng ngang như thông thường máy trục, một Sân xoay, hoặc nền tảng hướng gió của trục ngang cối xay gió. (TO "Slew " có nghĩa là biến mà không thay đổi vị trí.)
So với các vòng bi phần tử lăn khác, vòng bi xoay mỏng trong phần và thường được làm trong đường kính của một mét trở lên; vòng bi xoay trên Bánh xe Falkirk có đường kính 4 mét và vừa vặn trên trục 3,5 mét. Vòng bi xoay giống như vòng bi điều khiển máy bay quá khổ.
Vòng bi xoay thường sử dụng hai hàng các yếu tố lăn. Họ thường sử dụng ba cuộc đua Các phần tử, chẳng hạn như vòng bên trong và hai vòng ngoài "Halves " Kẹp lại với nhau một cách theo tỷ lệ.
Vòng bi xoay thường được tạo ra với tích phân răng với chủng tộc bên trong hoặc bên ngoài, Được sử dụng để điều khiển nền tảng so với cơ sở.
KHÔNG. | Kiểu mẫu | Kích thước (mm) | Kích thước gắn (mm) | Cấu trúc Kích thước (mm) | Dữ liệu thiết bị | ||||||||||||
Thiết bị bên ngoài | H | Du | DN | n | Xuyên qua hố A | Chủ đề hố B/c/d | N1 Dầu tách QTY | h | B | m | x = -0.5 | ||||||
De | Bánh răng QTY z | Cân nặng | |||||||||||||||
D | d | φ | D1 | T | |||||||||||||
mm | mm | mm | mm | Kilôgam | |||||||||||||
1 | QW.315.20 | 406 | 222 | 60 | 370 | 260 | 10 | 17 | M16 | 24 | 2 | 10 | 40 | 3 | 423 | 140 | 35 |
QW.315.20a | 4 | 428 | 106 | 36 | |||||||||||||
2 | QW.355.20 | 446 | 262 | 60 | 410 | 300 | 10 | 17 | M16 | 24 | 2 | 10 | 40 | 3 | 462 | 153 | 40 |
QW.355.20a | 4 | 468 | 116 | 41 | |||||||||||||
3 | QW.400.20 | 490 | 307 | 60 | 455 | 345 | 12 | 17 | M16 | 24 | 2 | 10 | 40 | 4 | 512 | 127 | 45 |
QW.400.20a | 5 | 520 | 103 | 47 | |||||||||||||
4 | QW.450.20 | 540 | 357 | 60 | 505 | 395 | 12 | 17 | M16 | 24 | 2 | 10 | 40 | 4 | 564 | 140 | 51 |
QW.450.20a | 5 | 570 | 113 | 53 | |||||||||||||
5 | QW.500.20 | 590 | 407 | 60 | 555 | 445 | 14 | 17 | M16 | 24 | 2 | 10 | 40 | 5 | 615 | 122 | 56 |
QW.500.20a | 6 | 624 | 103 | 58 | |||||||||||||
6 | QW.560.20 | 654 | 464 | 70 | 618 | 502 | 14 | 17 | M16 | 30 | 2 | 10 | 50 | 4 | 680 | 169 | 78 |
QW.560.20a | 5 | 685 | 136 | 79 | |||||||||||||
7 | QW.630.20 | 724 | 534 | 70 | 688 | 572 | 16 | 17 | M16 | 30 | 2 | 10 | 50 | 4 | 748 | 186 | 86 |
QW.630.20a | 5 | 755 | 150 | 88 | |||||||||||||
8 | QW.710.20 | 804 | 614 | 70 | 768 | 652 | 18 | 17 | M16 | 30 | 2 | 10 | 50 | 5 | 835 | 166 | 99 |
QW.710.20a | 6 | 840 | 139 | 101 | |||||||||||||
9 | QW.800.20 | 894 | 704 | 70 | 858 | 742 | 20 | 17 | M16 | 30 | 2 | 10 | 50 | 6 | 930 | 154 | 114 |
QW.800.20a | 8 | 936 | 116 | 114 | |||||||||||||
10 | QW.800.25 | 904 | 692 | 78 | 864 | 736 | 18 | 22 | M20 | 36 | 2 | 10 | 58 | 6 | 942 | 156 | 143 |
QW.800.25a | 8 | 952 | 118 | 147 | |||||||||||||
11 | QW.900.25 | 1004 | 792 | 78 | 964 | 836 | 20 | 22 | M20 | 36 | 2 | 10 | 58 | 8 | 1048 | 130 | 162 |
QW.900.25a | 10 | 1060 | 105 | 168 | |||||||||||||
12 | QW.1000.25 | 1104 | 892 | 78 | 1064 | 936 | 24 | 22 | M20 | 36 | 2 | 10 | 58 | 8 | 1152 | 143 | 182 |
QW.1000.25a | 10 | 1160 | 115 | 185 | |||||||||||||
13 | QW.1000.32 | 1120 | 876 | 90 | 1074 | 926 | 24 | 24 | M22 | 40 | 2 | 10 | 70 | 8 | 1160 | 144 | 227 |
QW.1000.32a | 10 | 1170 | 116 | 232 | |||||||||||||
14 | QW.1120.32 | 1240 | 996 | 90 | 1194 | 1046 | 28 | 24 | M22 | 40 | 4 | 10 | 70 | 10 | 1300 | 129 | 272 |
QW.1120.32a | 12 | 1308 | 108 | 275 | |||||||||||||
15 | QW.1250.32 | 1370 | 1126 | 90 | 1324 | 1176 | 32 | 24 | M22 | 40 | 4 | 10 | 70 | 10 | 1430 | 142 | 302 |
QW.1250.32a | 12 | 1440 | 119 | 309 | |||||||||||||
16 | QW.1400.32 | 1520 | 1276 | 90 | 1474 | 1326 | 36 | 24 | M22 | 40 | 4 | 10 | 70 | 12 | 1584 | 131 | 337 |
QW.1400.32a | 14 | 1596 | 113 | 347 | |||||||||||||
17 | QW.1250.40 | 1390 | 1108 | 102 | 1336 | 1164 | 32 | 26 | M24 | 45 | 4 | 12 | 80 | 10 | 1450 | 144 | 396 |
QW.1250.40A | 12 | 1452 | 120 | 392 | |||||||||||||
18 | QW.1400.40 | 1540 | 1258 | 102 | 1486 | 1314 | 36 | 26 | M24 | 45 | 4 | 12 | 80 | 12 | 1608 | 133 | 448 |
QW.1400.40A | 14 | 1610 | 114 | 443 | |||||||||||||
19 | QW.1600.40 | 1740 | 1458 | 102 | 1686 | 1514 | 40 | 26 | M24 | 45 | 4 | 12 | 80 | 12 | 1812 | 150 | 528 |
QW.1600.40A | 14 | 1820 | 129 | 534 | |||||||||||||
20 | QW.1800.40 | 1940 | 1658 | 102 | 1886 | 1714 | 44 | 26 | M24 | 45 | 4 | 12 | 80 | 14 | 2016 | 143 | 583 |
QW.1800.40A | 16 | 2032 | 126 | 607 | |||||||||||||
21 | QW.1600.50 | 1762 | 1434 | 124 | 1704 | 1496 | 40 | 30 | M27 | 50 | 4 | 12 | 100 | 12 | 1824 | 151 | 714 |
QW.1600.50A | 14 | 1834 | 130 | 727 | |||||||||||||
22 | QW.1800.50 | 1964 | 1634 | 124 | 1904 | 1696 | 44 | 30 | M27 | 50 | 4 | 12 | 100 | 14 | 2044 | 145 | 845 |
QW.1800.50A | 16 | 2048 | 127 | 843 | |||||||||||||
23 | QW.2000.50 | 2162 | 1834 | 124 | 2104 | 1896 | 48 | 30 | M27 | 50 | 6 | 12 | 100 | 16 | 2240 | 139 | 912 |
QW.2000.50A | 18 | 2250 | 124 | 927 | |||||||||||||
24 | QW.2240.50 | 2402 | 2074 | 124 | 2344 | 2136 | 54 | 30 | M27 | 50 | 6 | 12 | 100 | 16 | 2480 | 154 | 1020 |
QW.2240.50A | 18 | 2502 | 138 | 1078 | |||||||||||||
25 | QW.2500.50 | 2662 | 2334 | 124 | 2604 | 2396 | 60 | 30 | M27 | 50 | 6 | 12 | 100 | 18 | 2754 | 152 | 1171 |
QW.2500.50A | 20 | 2760 | 137 | 1175 | |||||||||||||
26 | QW.2500.60 | 2696 | 2304 | 150 | 2626 | 2374 | 60 | 33 | M30 | 56 | 6 | 14 | 122 | 18 | 2790 | 154 | 1677 |
QW.2500.60a | 20 | 2800 | 139 | 1701 | |||||||||||||
Ghi chú:
1. N1 là số lượng lỗ bôi trơn. Dầu Cup M10 × 1JB/T7940.1 ~ JB/T7940.
2. núm vú dầu Vị trí có thể thay đổi theo ứng dụng của người dùng.
3. N-có thể thay đổi thành lỗ khai thác, đường kính của lỗ khai thác là M và độ sâu là 2m.
4. Lực răng tiếp tuyến ở dạng là lực răng tối đa; Lực răng tiếp tuyến danh nghĩa là 1/2 của tối đa.
5. "K " là hệ số giảm phụ lục.
Nhà | Về chúng tôi | Các sản phẩm | Tin tức | Ứng dụng | Ủng hộ | Liên hệ chúng tôi
