| Tình trạng sẵn có: | |
|---|---|
| Số: | |
011.45.1600
XZWD
8482800000
Các quả bóng lăn trên cuộc đua tròn ở bốn điểm, do đó nó có thể thực hiện lực trục, lực xuyên tâm và khoảnh khắc lật cùng một lúc. Loạt vòng bi tiếp xúc bốn điểm này phù hợp trong nhiều máy móc kỹ thuật, chẳng hạn như cần cẩu tháp, quay quay, quay Băng tải, máy vận hành hàn, cần cẩu nhỏ, máy đào vừa và nhỏ, v.v.
Tiếp xúc bốn điểm Ứng dụng vòng xoay bóng trong cần cẩu là một trong những tải trọng quan trọng hỗ trợ các bộ phận trên cần cẩu. Nó được kết nối với mối hàn bàn xoay cấu trúc phức tạp và tải. Với phương thức phần tử hữu hạn như một công cụ, một Mô hình tính toán phần tử hữu hạn được thiết lập cho xoay bốn điểm vòng của cần cẩu xe tải và phân tích sức mạnh cấu trúc và độ cứng là tiến hành trên đó.
Chất lượng và độ chính xác của sản xuất của chúng tôi là chìa khóa để đảm bảo chạy tốt sau nhiều hoạt động tháo dỡ của cần cẩu. Chúng tôi có thể cung cấp nhiều loại ứng dụng cần cẩu. Vòng bi xoay của chúng tôi được cung cấp cho người tải tàu để tải và không tải các mặt hàng khác nhau. Nó được sử dụng rộng rãi trong cần cẩu tàu, cần cẩu cảng, cần cẩu ngoài khơi, cần cẩu cổng thông tin, v.v.
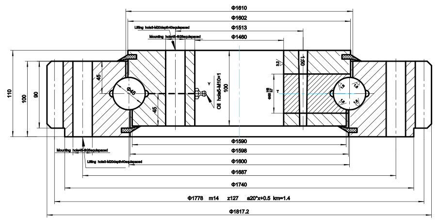
Dưới đây vui lòng tìm kích thước chi tiết của mô hình này:
Bất kỳ câu hỏi hoặc yêu cầu, xin vui lòng liên hệ với chúng tôi.
Các quả bóng lăn trên cuộc đua tròn ở bốn điểm, do đó nó có thể thực hiện lực trục, lực xuyên tâm và khoảnh khắc lật cùng một lúc. Loạt vòng bi tiếp xúc bốn điểm này phù hợp trong nhiều máy móc kỹ thuật, chẳng hạn như cần cẩu tháp, quay quay, quay Băng tải, máy vận hành hàn, cần cẩu nhỏ, máy đào vừa và nhỏ, v.v.
Tiếp xúc bốn điểm Ứng dụng vòng xoay bóng trong cần cẩu là một trong những tải trọng quan trọng hỗ trợ các bộ phận trên cần cẩu. Nó được kết nối với mối hàn bàn xoay cấu trúc phức tạp và tải. Với phương thức phần tử hữu hạn như một công cụ, một Mô hình tính toán phần tử hữu hạn được thiết lập cho xoay bốn điểm vòng của cần cẩu xe tải và phân tích sức mạnh cấu trúc và độ cứng là tiến hành trên đó.
Chất lượng và độ chính xác của sản xuất của chúng tôi là chìa khóa để đảm bảo chạy tốt sau nhiều hoạt động tháo dỡ của cần cẩu. Chúng tôi có thể cung cấp nhiều loại ứng dụng cần cẩu. Vòng bi xoay của chúng tôi được cung cấp cho người tải tàu để tải và không tải các mặt hàng khác nhau. Nó được sử dụng rộng rãi trong cần cẩu tàu, cần cẩu cảng, cần cẩu ngoài khơi, cần cẩu cổng thông tin, v.v.
Dưới đây vui lòng tìm kích thước chi tiết của mô hình này:
Bất kỳ câu hỏi hoặc yêu cầu, xin vui lòng liên hệ với chúng tôi.
Nhà | Về chúng tôi | Các sản phẩm | Tin tức | Ứng dụng | Ủng hộ | Liên hệ chúng tôi
