| Tình trạng sẵn có: | |
|---|---|
| Số: | |
011.30.720f
XZWD
8482800000
Xuzhou Wanda Slewing Bear Co., Ltd. là một Nhà sản xuất ổ trục xoay Chuyên về ổ trục tiêu chuẩn và không chuẩn. Trong những năm qua, chúng tôi đã cung cấp sản phẩm chất lượng cao và dịch vụ tốt cho mọi người dùng và có được tín dụng tốt. Chúng tôi có hệ thống kiểm soát chất lượng nghiêm ngặt trong nhà máy của chúng tôi, trong khi đó, chúng tôi đã thông qua Chứng nhận hệ thống chất lượng ISO9001-2008 và JG/T66-1999, JG/T67-1999, JG/T68-1999, JB/T2300-1999 với các tiêu chuẩn máy móc và kỹ thuật của đất nước chúng tôi.
Vòng bi tiếp xúc bốn điểm duy nhất hàng bao gồm 2 vòng ngồi. Nó có tính năng nhỏ gọn trong thiết kế và trọng lượng ánh sáng. Các quả bóng tiếp xúc với chủng tộc tròn ở bốn điểm, qua đó lực trục, lực xuyên tâm và thời điểm kết quả có thể được sinh ra đồng thời.
Nó có thể được sử dụng cho băng tải xoay, cánh tay hàn và người định vị, cần cẩu nhẹ, trung bình, máy xúc và máy kỹ thuật khác.
Sản phẩm có sẵn bao gồm: bóng đơn và đôi, ba con lăn, con lăn chéo được niêm phong và không được tiết lộ bên trong
-Chúng tôi được tôn trọng vì chất lượng và chi phí hiệu quả
-Chúng tôi cung cấp các thiết kế ổ trục tùy chỉnh đáp ứng các yêu cầu cụ thể của khách hàng
- Trả lời kịp thời.quotes được quay lại sau 24 đến 48 giờ
Loại sản phẩm:
1.Một hàng bốn điểm tiếp xúc với vòng bi xoay.
2.Vòng bi lăn qua hàng đơn hàng
3Vòng bi xoay bóng đôi
4.Vòng bi kéo dài ba hàng
5.Vòng bi hơi mỏng (loại ánh sáng).
6.Vòng bi xoay phần mỏng (loại mặt bích)
Các ứng dụng:
Máy phát điện gió, cần cẩu biển, cần cẩu ngoài khơi, cần cẩu di động Harbor, bánh xe ferris, stacker, dỡ tải, máy móc xây dựng, tháp pháo, máy khiên, radar, v.v.
Các vòng xoay bóng tiếp xúc bốn điểm duy nhất được cấu tạo bởi hai vòng ngồi, thiết kế cấu trúc nhỏ gọn và trọng lượng nhẹ, tiếp xúc với bóng thép với đường đua tròn ở bốn điểm; nó có thể chịu được Lực trục, lực xuyên tâm và thời điểm nghiêng cùng một lúc.
Nó có thể được sử dụng cho băng tải xoay, thao tác hàn, ánh sáng & Cần trục trung bình, máy xúc và máy móc xây dựng khác.
Các Vòng bi xoay phần mỏng có cấu trúc giống nhau với bình thường Vòng bi xoay, nhưng trọng lượng là nhẹ và xoay linh hoạt
Tyussle: Ball Ball mang thiết bị bên ngoài
Wight/kg: 24-2800
Điểm mạnh: Vị trí của núm vú dầu có thể thay đổi theo ứng dụng của người dùng.
Đăng kí:
1. máy móc thực phẩm,
2. Máy móc
3. Máy móc môi trường, v.v.

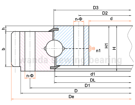
| Không | Thiết bị bên ngoài | Kích thước (mm) | Kích thước gắn (mm) | Kích thước cấu trúc (mm) | Dữ liệu thiết bị | Lực lượng thiết bị 10^4 kN | trọng lượng Kilôgam | ||||||||||||||||
| D | d | H | D1 | D2 | n | Φ | DM | L | N1 | D3 | D1 | H1 | h | b | x | M | De | z | N | T | |||
| 1 | 011.20.200. | 280 | 120 | 60 | 248 | 152 | 12 | 16 | M14 | 28 | 2 | 201 | 199 | 50 | 10 | 40 | 0 | 3 | 300 | 98 | 1.5 | 2.1 | 24 |
| 2 | 011.20.224. | 304 | 144 | 60 | 272 | 176 | 12 | 16 | M14 | 28 | 2 | 225 | 223 | 50 | 10 | 40 | 0 | 3 | 321 | 105 | 1.5 | 2.1 | 25 |
| 3 | 011.20.250. | 330 | 170 | 60 | 298 | 202 | 18 | 16 | M14 | 28 | 2 | 251 | 249 | 50 | 10 | 40 | 0 | 4 | 352 | 86 | 2.1 | 2.8 | 30 |
| 4 | 011.20.280. | 360 | 200 | 60 | 328 | 232 | 18 | 16 | M14 | 28 | 2 | 281 | 279 | 50 | 10 | 40 | 0 | 4 | 384 | 94 | 1.5 | 2.8 | 34 |
| 5 | 011.25.315. | 408 | 222 | 70 | 372 | 258 | 20 | 18 | M16 | 32 | 2 | 316 | 314 | 60 | 10 | 50 | 0 | 5 | 435 | 85 | 2.9 | 4.4 | 52 |
| 6 | 011.25.355. | 448 | 262 | 70 | 412 | 298 | 20 | 18 | M16 | 32 | 2 | 356 | 354 | 60 | 10 | 50 | 0 | 5 | 475 | 93 | 2.9 | 4.4 | 59 |
| 7 | 011.25.400. | 493 | 307 | 70 | 457 | 343 | 20 | 18 | M16 | 32 | 2 | 401 | 399 | 60 | 10 | 50 | 0 | 6 | 528 | 86 | 3.5 | 5.3 | 69 |
| 8 | 011.25.450. | 543 | 357 | 70 | 507 | 393 | 20 | 18 | M16 | 32 | 2 | 451 | 449 | 60 | 10 | 50 | 0 | 6 | 576 | 94 | 3.5 | 5.3 | 76 |
| 9 | 011.30.500. | 602 | 398 | 80 | 566 | 434 | 20 | 18 | M16 | 32 | 4 | 501 | 499 498 | 70 | 10 | 60 | 0.5 | 5 | 629 | 123 | 3.7 | 5.2 | 85 |
| 012.25/30.500 | 6 | 628.8 | 102 | 4.5 | 6.2 | ||||||||||||||||||
| 10 | 011.30.560. | 662 | 458 | 80 | 626 | 494 | 20 | 18 | M16 | 32 | 4 | 561 | 559 558 | 70 | 10 | 60 | 0.5 | 5 | 689 | 135 | 3.7 | 5.2 | 95 |
| 012.25/30.560 | 6 | 688.8 | 112 | 4.5 | 6.2 | ||||||||||||||||||
| 11 | 011.30.630. | 732 | 528 | 80 | 696 | 564 | 24 | 18 | M16 | 32 | 4 | 631 | 629 628 | 70 | 10 | 60 | 0.5 | 6 | 772.8 | 126 | 4.5 | 6.2 | 110 |
| 012,25/30.630 | 8 | 774.4 | 94 | 6 | 8.3/8.2 | ||||||||||||||||||
| 12 | 011.30.710. | 812 | 608 | 80 | 776 | 644 | 24 | 18 | M16 | 32 | 4 | 711 | 709 708 | 70 | 10 | 60 | 0.5 | 6 | 850.8 | 139 | 4.5 | 6.2 | 120 |
| 012,25/30.710 | 8 | 854.4 | 104 | 6 | 8,9/8.3 | ||||||||||||||||||
| 13 | 011.40.800. | 922 | 678 | 100 | 878 | 722 | 30 | 22 | M20 | 40 | 6 | 801 | 798 | 90 | 10 | 80 | 0.5 | 8 | 966.4 | 118 | 8 | 11.1 | 220 |
| 012.30/40.800 | 10 | 968 | 94 | 10 | 14.1/14 | ||||||||||||||||||
| 14 | 011.40.900. | 1022 | 778 | 100 | 978 | 822 | 30 | 22 | M20 | 40 | 6 | 901 | 898 | 90 | 10 | 80 | 0.5 | 8 | 1062.4 | 130 | 8 | 11.1 | 240 |
| 012.30/40.900 | 10 | 1068 | 104 | 10 | 14 | ||||||||||||||||||
| 15 | 011.40.1000 | 1122 | 878 | 100 | 1078 | 922 | 36 | 22 | M20 | 40 | 6 | 1001 | 998 | 90 | 10 | 80 | 0.5 | 10 | 1188 | 116 | 10 | 14 | 270 |
| 012.30/40.1000 | 12 | 1185.6 | 96 | 12 | 16.7 | ||||||||||||||||||
| 16 | 011.40.1120 | 1242 | 998 | 100 | 1198 | 1042 | 36 | 22 | M20 | 40 | 6 | 1121 | 1118 | 90 | 10 | 80 | 0.5 | 10 | 1298 | 127 | 10 | 14 | 300 |
| 012.30/40.1120 | 12 | 1305.6 | 106 | 12 | 16.7 | ||||||||||||||||||
| 17 | 011.45.1250 | 1390 | 1110 | 110 | 1337 | 1163 | 40 | 26 | M24 | 48 | 5 | 1252 | 1248 | 100 | 10 | 90 | 0.5 | 12 | 1449.6 | 118 | 13.5 | 18.8 | 420 |
| 012.35/45.1250 | 14 | 1453.2 | 101 | 15.8 | 21.9 | ||||||||||||||||||
| 18 | 011.45.1400 | 1540 | 1260 | 110 | 1487 | 1313 | 40 | 26 | M24 | 48 | 5 | 1402 | 1398 | 100 | 10 | 90 | 0.5 | 12 | 1605.6 | 131 | 13.5 | 18.8 | 480 |
| 012.35/45.1400 | 14 | 1607.2 | 112 | 15.5 | 21.9 | ||||||||||||||||||
| 19 | 011.45.1600 | 1740 | 1460 | 110 | 1687 | 1513 | 45 | 26 | M24 | 48 | 5 | 1602 | 1598 | 100 | 10 | 90 | 0.5 | 14 | 1817.2 | 127 | 15.8 | 21.9 | 550 |
| 012.35/45.1600 | 16 | 1820.8 | 111 | 18.1 | 25 | ||||||||||||||||||
| 20 | 011.45.1800 | 1940 | 1660 | 110 | 1887 | 1713 | 45 | 26 | M24 | 48 | 5 | 1801 1802 | 1798 | 100 | 10 | 90 | 0.5 | 14 | 2013.2 | 141 | 15.8 | 21.9 | 610 |
| 012.35/45.1800 | 16 | 2012.8 | 123 | 18.1 | 25 | ||||||||||||||||||
| 21 | 011.40/60.2000 | 2178 | 1825 | 144 | 2110 | 1891 | 48 | 33 | M30 | 60 | 8 | 2001 2002 | 1998 | 132 | 12 | 120 | 0.5 | 16 | 2268.8 | 139 | 24.1 | 33.3 | 1100 |
| 012.40/60.2000 | 18 | 2264.4 | 123 | 27.1 | 37.5 | ||||||||||||||||||
| 22 | 011.40/60.2240 | 2418 | 2065 | 144 | 2350 | 2131 | 48 | 33 | M30 | 60 | 8 | 2241 2242 | 2238 | 132 | 12 | 120 | 0.5 | 16 | 2492.8 | 153 | 24.1 | 33.3 | 1250 |
| 012.40/60.2240 | 18 | 2498.4 | 136 | 27.1 | 37.5 | ||||||||||||||||||
| 23 | 011.40/60.2500 | 2678 | 2325 | 144 | 2610 | 2391 | 56 | 33 | M30 | 60 | 8 | 2501 2502 | 2498 | 132 | 12 | 120 | 0.5 | 18 | 2768.4 | 151 | 27.1 | 37.5 | 1400 |
| 012.40/60.2500 | 20 | 2776 | 136 | 30.1 | 41.8 | ||||||||||||||||||
| 24 | 011.40/60.2800 | 2978 | 2625 | 144 | 2910 | 2691 | 56 | 33 | M30 | 60 | 8 | 2802 | 2798 | 132 | 12 | 120 | 0.5 | 18 | 3074.4 | 168 | 27.1 | 37.5 | 1600 |
| 012.40/60.2800 | 20 | 3076 | 151 | 30.1 | 41.8 | ||||||||||||||||||
| 25 | 011.50/75.3150 | 3376 | 2922 | 174 | 3286 | 3014 | 56 | 45 | M42 | 84 | 8 | 3152 | 3147 | 162 | 12 | 150 | 0.5 | 20 | 3476 | 171 | 37.7 | 52.2 | 2800 |
| 012.50/75.3150 | 22 | 3471.6 | 155 | 41.5 | 57.4 | ||||||||||||||||||
Ghi chú:
1. N1 là nos của các lỗ bôi trơn.oil Cup M10 × 1JB/T7940.1 ~ JB/T7940.2. Vị trí của núm vú dầu có thể thay đổi Theo ứng dụng của người dùng.
2. Thay đổi n-φcan thành lỗ khai thác, đường kính của lỗ khai thác là m, độ sâu là 2m.
3. Lực răng tiếp tuyến ở dạng là lực răng tối đa, lực răng tiếp tuyến danh nghĩa là 1/2 của tối đa.
4. "K " là hệ số giảm phụ lục.
Thuận lợi
1. Chúng tôi có thể cung cấp vòng bi vòng xoay kích thước khác nhau.
2. Loại: không phải răng, răng bên trong, răng ngoài
3. Phạm vi đường kính: 200mm ----- 4500mm, Phạm vi trọng lượng: 20kg -------- 5100kg
4. Thiết kế và sản xuất theo nhu cầu của khách hàng, ổ trục OEM.
5. Nhánh chất lượng cao, giá cả cạnh tranh, giao hàng nhanh chóng và các dịch vụ tốt nhất.
Tiêu chuẩn:
ISO9001: 2008, SGS, CCS
Nguyên liệu thô:
50mn, 42crmo
Đường đua cứng:
55-62hrc
Gear Hardening:
50-60hrc
Bôi trơn:
Dầu mỡ
Sự bảo đảm:
1 năm
Xuzhou Wanda Slewing Bear Co., Ltd. là một Nhà sản xuất ổ trục xoay Chuyên về ổ trục tiêu chuẩn và không chuẩn. Trong những năm qua, chúng tôi đã cung cấp sản phẩm chất lượng cao và dịch vụ tốt cho mọi người dùng và có được tín dụng tốt. Chúng tôi có hệ thống kiểm soát chất lượng nghiêm ngặt trong nhà máy của chúng tôi, trong khi đó, chúng tôi đã thông qua Chứng nhận hệ thống chất lượng ISO9001-2008 và JG/T66-1999, JG/T67-1999, JG/T68-1999, JB/T2300-1999 với các tiêu chuẩn máy móc và kỹ thuật của đất nước chúng tôi.
Vòng bi tiếp xúc bốn điểm duy nhất hàng bao gồm 2 vòng ngồi. Nó có tính năng nhỏ gọn trong thiết kế và trọng lượng ánh sáng. Các quả bóng tiếp xúc với chủng tộc tròn ở bốn điểm, qua đó lực trục, lực xuyên tâm và thời điểm kết quả có thể được sinh ra đồng thời.
Nó có thể được sử dụng cho băng tải xoay, cánh tay hàn và người định vị, cần cẩu nhẹ, trung bình, máy xúc và máy kỹ thuật khác.
Sản phẩm có sẵn bao gồm: bóng đơn và đôi, ba con lăn, con lăn chéo được niêm phong và không được tiết lộ bên trong
-Chúng tôi được tôn trọng vì chất lượng và chi phí hiệu quả
-Chúng tôi cung cấp các thiết kế ổ trục tùy chỉnh đáp ứng các yêu cầu cụ thể của khách hàng
- Trả lời kịp thời.quotes được quay lại sau 24 đến 48 giờ
Loại sản phẩm:
1.Một hàng bốn điểm tiếp xúc với vòng bi xoay.
2.Vòng bi lăn qua hàng đơn hàng
3Vòng bi xoay bóng đôi
4.Vòng bi kéo dài ba hàng
5.Vòng bi hơi mỏng (loại ánh sáng).
6.Vòng bi xoay phần mỏng (loại mặt bích)
Các ứng dụng:
Máy phát điện gió, cần cẩu biển, cần cẩu ngoài khơi, cần cẩu di động Harbor, bánh xe ferris, stacker, dỡ tải, máy móc xây dựng, tháp pháo, máy khiên, radar, v.v.
Các vòng xoay bóng tiếp xúc bốn điểm duy nhất được cấu tạo bởi hai vòng ngồi, thiết kế cấu trúc nhỏ gọn và trọng lượng nhẹ, tiếp xúc với bóng thép với đường đua tròn ở bốn điểm; nó có thể chịu được Lực trục, lực xuyên tâm và thời điểm nghiêng cùng một lúc.
Nó có thể được sử dụng cho băng tải xoay, thao tác hàn, ánh sáng & Cần trục trung bình, máy xúc và máy móc xây dựng khác.
Các Vòng bi xoay phần mỏng có cấu trúc giống nhau với bình thường Vòng bi xoay, nhưng trọng lượng là nhẹ và xoay linh hoạt
Tyussle: Ball Ball mang thiết bị bên ngoài
Wight/kg: 24-2800
Điểm mạnh: Vị trí của núm vú dầu có thể thay đổi theo ứng dụng của người dùng.
Đăng kí:
1. máy móc thực phẩm,
2. Máy móc
3. Máy móc môi trường, v.v.

| Không | Thiết bị bên ngoài | Kích thước (mm) | Kích thước gắn (mm) | Kích thước cấu trúc (mm) | Dữ liệu thiết bị | Lực lượng thiết bị 10^4 kN | trọng lượng Kilôgam | ||||||||||||||||
| D | d | H | D1 | D2 | n | Φ | DM | L | N1 | D3 | D1 | H1 | h | b | x | M | De | z | N | T | |||
| 1 | 011.20.200. | 280 | 120 | 60 | 248 | 152 | 12 | 16 | M14 | 28 | 2 | 201 | 199 | 50 | 10 | 40 | 0 | 3 | 300 | 98 | 1.5 | 2.1 | 24 |
| 2 | 011.20.224. | 304 | 144 | 60 | 272 | 176 | 12 | 16 | M14 | 28 | 2 | 225 | 223 | 50 | 10 | 40 | 0 | 3 | 321 | 105 | 1.5 | 2.1 | 25 |
| 3 | 011.20.250. | 330 | 170 | 60 | 298 | 202 | 18 | 16 | M14 | 28 | 2 | 251 | 249 | 50 | 10 | 40 | 0 | 4 | 352 | 86 | 2.1 | 2.8 | 30 |
| 4 | 011.20.280. | 360 | 200 | 60 | 328 | 232 | 18 | 16 | M14 | 28 | 2 | 281 | 279 | 50 | 10 | 40 | 0 | 4 | 384 | 94 | 1.5 | 2.8 | 34 |
| 5 | 011.25.315. | 408 | 222 | 70 | 372 | 258 | 20 | 18 | M16 | 32 | 2 | 316 | 314 | 60 | 10 | 50 | 0 | 5 | 435 | 85 | 2.9 | 4.4 | 52 |
| 6 | 011.25.355. | 448 | 262 | 70 | 412 | 298 | 20 | 18 | M16 | 32 | 2 | 356 | 354 | 60 | 10 | 50 | 0 | 5 | 475 | 93 | 2.9 | 4.4 | 59 |
| 7 | 011.25.400. | 493 | 307 | 70 | 457 | 343 | 20 | 18 | M16 | 32 | 2 | 401 | 399 | 60 | 10 | 50 | 0 | 6 | 528 | 86 | 3.5 | 5.3 | 69 |
| 8 | 011.25.450. | 543 | 357 | 70 | 507 | 393 | 20 | 18 | M16 | 32 | 2 | 451 | 449 | 60 | 10 | 50 | 0 | 6 | 576 | 94 | 3.5 | 5.3 | 76 |
| 9 | 011.30.500. | 602 | 398 | 80 | 566 | 434 | 20 | 18 | M16 | 32 | 4 | 501 | 499 498 | 70 | 10 | 60 | 0.5 | 5 | 629 | 123 | 3.7 | 5.2 | 85 |
| 012.25/30.500 | 6 | 628.8 | 102 | 4.5 | 6.2 | ||||||||||||||||||
| 10 | 011.30.560. | 662 | 458 | 80 | 626 | 494 | 20 | 18 | M16 | 32 | 4 | 561 | 559 558 | 70 | 10 | 60 | 0.5 | 5 | 689 | 135 | 3.7 | 5.2 | 95 |
| 012.25/30.560 | 6 | 688.8 | 112 | 4.5 | 6.2 | ||||||||||||||||||
| 11 | 011.30.630. | 732 | 528 | 80 | 696 | 564 | 24 | 18 | M16 | 32 | 4 | 631 | 629 628 | 70 | 10 | 60 | 0.5 | 6 | 772.8 | 126 | 4.5 | 6.2 | 110 |
| 012,25/30.630 | 8 | 774.4 | 94 | 6 | 8.3/8.2 | ||||||||||||||||||
| 12 | 011.30.710. | 812 | 608 | 80 | 776 | 644 | 24 | 18 | M16 | 32 | 4 | 711 | 709 708 | 70 | 10 | 60 | 0.5 | 6 | 850.8 | 139 | 4.5 | 6.2 | 120 |
| 012,25/30.710 | 8 | 854.4 | 104 | 6 | 8,9/8.3 | ||||||||||||||||||
| 13 | 011.40.800. | 922 | 678 | 100 | 878 | 722 | 30 | 22 | M20 | 40 | 6 | 801 | 798 | 90 | 10 | 80 | 0.5 | 8 | 966.4 | 118 | 8 | 11.1 | 220 |
| 012.30/40.800 | 10 | 968 | 94 | 10 | 14.1/14 | ||||||||||||||||||
| 14 | 011.40.900. | 1022 | 778 | 100 | 978 | 822 | 30 | 22 | M20 | 40 | 6 | 901 | 898 | 90 | 10 | 80 | 0.5 | 8 | 1062.4 | 130 | 8 | 11.1 | 240 |
| 012.30/40.900 | 10 | 1068 | 104 | 10 | 14 | ||||||||||||||||||
| 15 | 011.40.1000 | 1122 | 878 | 100 | 1078 | 922 | 36 | 22 | M20 | 40 | 6 | 1001 | 998 | 90 | 10 | 80 | 0.5 | 10 | 1188 | 116 | 10 | 14 | 270 |
| 012.30/40.1000 | 12 | 1185.6 | 96 | 12 | 16.7 | ||||||||||||||||||
| 16 | 011.40.1120 | 1242 | 998 | 100 | 1198 | 1042 | 36 | 22 | M20 | 40 | 6 | 1121 | 1118 | 90 | 10 | 80 | 0.5 | 10 | 1298 | 127 | 10 | 14 | 300 |
| 012.30/40.1120 | 12 | 1305.6 | 106 | 12 | 16.7 | ||||||||||||||||||
| 17 | 011.45.1250 | 1390 | 1110 | 110 | 1337 | 1163 | 40 | 26 | M24 | 48 | 5 | 1252 | 1248 | 100 | 10 | 90 | 0.5 | 12 | 1449.6 | 118 | 13.5 | 18.8 | 420 |
| 012.35/45.1250 | 14 | 1453.2 | 101 | 15.8 | 21.9 | ||||||||||||||||||
| 18 | 011.45.1400 | 1540 | 1260 | 110 | 1487 | 1313 | 40 | 26 | M24 | 48 | 5 | 1402 | 1398 | 100 | 10 | 90 | 0.5 | 12 | 1605.6 | 131 | 13.5 | 18.8 | 480 |
| 012.35/45.1400 | 14 | 1607.2 | 112 | 15.5 | 21.9 | ||||||||||||||||||
| 19 | 011.45.1600 | 1740 | 1460 | 110 | 1687 | 1513 | 45 | 26 | M24 | 48 | 5 | 1602 | 1598 | 100 | 10 | 90 | 0.5 | 14 | 1817.2 | 127 | 15.8 | 21.9 | 550 |
| 012.35/45.1600 | 16 | 1820.8 | 111 | 18.1 | 25 | ||||||||||||||||||
| 20 | 011.45.1800 | 1940 | 1660 | 110 | 1887 | 1713 | 45 | 26 | M24 | 48 | 5 | 1801 1802 | 1798 | 100 | 10 | 90 | 0.5 | 14 | 2013.2 | 141 | 15.8 | 21.9 | 610 |
| 012.35/45.1800 | 16 | 2012.8 | 123 | 18.1 | 25 | ||||||||||||||||||
| 21 | 011.40/60.2000 | 2178 | 1825 | 144 | 2110 | 1891 | 48 | 33 | M30 | 60 | 8 | 2001 2002 | 1998 | 132 | 12 | 120 | 0.5 | 16 | 2268.8 | 139 | 24.1 | 33.3 | 1100 |
| 012.40/60.2000 | 18 | 2264.4 | 123 | 27.1 | 37.5 | ||||||||||||||||||
| 22 | 011.40/60.2240 | 2418 | 2065 | 144 | 2350 | 2131 | 48 | 33 | M30 | 60 | 8 | 2241 2242 | 2238 | 132 | 12 | 120 | 0.5 | 16 | 2492.8 | 153 | 24.1 | 33.3 | 1250 |
| 012.40/60.2240 | 18 | 2498.4 | 136 | 27.1 | 37.5 | ||||||||||||||||||
| 23 | 011.40/60.2500 | 2678 | 2325 | 144 | 2610 | 2391 | 56 | 33 | M30 | 60 | 8 | 2501 2502 | 2498 | 132 | 12 | 120 | 0.5 | 18 | 2768.4 | 151 | 27.1 | 37.5 | 1400 |
| 012.40/60.2500 | 20 | 2776 | 136 | 30.1 | 41.8 | ||||||||||||||||||
| 24 | 011.40/60.2800 | 2978 | 2625 | 144 | 2910 | 2691 | 56 | 33 | M30 | 60 | 8 | 2802 | 2798 | 132 | 12 | 120 | 0.5 | 18 | 3074.4 | 168 | 27.1 | 37.5 | 1600 |
| 012.40/60.2800 | 20 | 3076 | 151 | 30.1 | 41.8 | ||||||||||||||||||
| 25 | 011.50/75.3150 | 3376 | 2922 | 174 | 3286 | 3014 | 56 | 45 | M42 | 84 | 8 | 3152 | 3147 | 162 | 12 | 150 | 0.5 | 20 | 3476 | 171 | 37.7 | 52.2 | 2800 |
| 012.50/75.3150 | 22 | 3471.6 | 155 | 41.5 | 57.4 | ||||||||||||||||||
Ghi chú:
1. N1 là nos của các lỗ bôi trơn.oil Cup M10 × 1JB/T7940.1 ~ JB/T7940.2. Vị trí của núm vú dầu có thể thay đổi Theo ứng dụng của người dùng.
2. Thay đổi n-φcan thành lỗ khai thác, đường kính của lỗ khai thác là m, độ sâu là 2m.
3. Lực răng tiếp tuyến ở dạng là lực răng tối đa, lực răng tiếp tuyến danh nghĩa là 1/2 của tối đa.
4. "K " là hệ số giảm phụ lục.
Thuận lợi
1. Chúng tôi có thể cung cấp vòng bi vòng xoay kích thước khác nhau.
2. Loại: không phải răng, răng bên trong, răng ngoài
3. Phạm vi đường kính: 200mm ----- 4500mm, Phạm vi trọng lượng: 20kg -------- 5100kg
4. Thiết kế và sản xuất theo nhu cầu của khách hàng, ổ trục OEM.
5. Nhánh chất lượng cao, giá cả cạnh tranh, giao hàng nhanh chóng và các dịch vụ tốt nhất.
Tiêu chuẩn:
ISO9001: 2008, SGS, CCS
Nguyên liệu thô:
50mn, 42crmo
Đường đua cứng:
55-62hrc
Gear Hardening:
50-60hrc
Bôi trơn:
Dầu mỡ
Sự bảo đảm:
1 năm
Nhà | Về chúng tôi | Các sản phẩm | Tin tức | Ứng dụng | Ủng hộ | Liên hệ chúng tôi
