| Tình trạng sẵn có: | |
|---|---|
| Số: | |
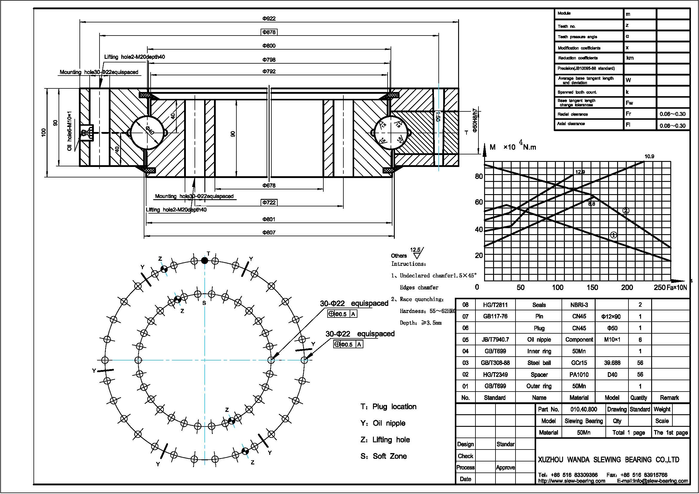
010.40.800
XZWD
8482800000
Vòng bi xoay là khớp của máy phân phối và xoay máy phân phối được thực hiện bằng ổ trục.
Khi máy được sử dụng, nó sẽ chịu lực trục và tương đối lớn đảo ngược khoảnh khắc. Khi nó hoạt động, sẽ có tải trọng tác động và sự sụt giá. Khi bê tông được áp dụng, nó sẽ được phun lên Vòng bi xoay. Điều kiện làm việc tổng thể là tương đối xấu. Nếu Bệnh bùn bê tông đi vào đường ray ổ trục xoay, nó cũng sẽ gây ra Vòng bi có bị mắc kẹt. Do đó, khi chọn xoay Mô hình ổ trục, các tham số dữ liệu hoàn chỉnh được yêu cầu. Xu Châu Wanda CÔNG TY TIẾP BẢNG, Bộ phận Công nghệ Ltd sẽ chọn ổ trục phù hợp theo các yêu cầu để đảm bảo phẩm chất. Đồng thời giảm chi phí của khách hàng và đạt được Kết quả có lợi.
Vòng bi xoay 010.40.800 được sản xuất bởi Xuzhou Wanda Slewing Bear Co., Ltd. được sử dụng rộng rãi trên nhà phân phối bê tông loại thủ công và phản hồi thị trường rất tốt; Vòng bi xoay 012.30.710 cũng đạt được kết quả tốt trên nhà phân phối bê tông loại cố định.
Bản vẽ cho 010.40.800:
Nếu bạn có bất kỳ nhu cầu nào, xin vui lòng gửi email cho chúng tôi. Chúng tôi có thể gửi cho bạn nhiều chi tiết hơn và cung cấp cho bạn giá.
Vòng bi xoay là khớp của máy phân phối và xoay máy phân phối được thực hiện bằng ổ trục.
Khi máy được sử dụng, nó sẽ chịu lực trục và tương đối lớn đảo ngược khoảnh khắc. Khi nó hoạt động, sẽ có tải trọng tác động và sự sụt giá. Khi bê tông được áp dụng, nó sẽ được phun lên Vòng bi xoay. Điều kiện làm việc tổng thể là tương đối xấu. Nếu Bệnh bùn bê tông đi vào đường ray ổ trục xoay, nó cũng sẽ gây ra Vòng bi có bị mắc kẹt. Do đó, khi chọn xoay Mô hình ổ trục, các tham số dữ liệu hoàn chỉnh được yêu cầu. Xu Châu Wanda CÔNG TY TIẾP BẢNG, Bộ phận Công nghệ Ltd sẽ chọn ổ trục phù hợp theo các yêu cầu để đảm bảo phẩm chất. Đồng thời giảm chi phí của khách hàng và đạt được Kết quả có lợi.
Vòng bi xoay 010.40.800 được sản xuất bởi Xuzhou Wanda Slewing Bear Co., Ltd. được sử dụng rộng rãi trên nhà phân phối bê tông loại thủ công và phản hồi thị trường rất tốt; Vòng bi xoay 012.30.710 cũng đạt được kết quả tốt trên nhà phân phối bê tông loại cố định.
Bản vẽ cho 010.40.800:
Nếu bạn có bất kỳ nhu cầu nào, xin vui lòng gửi email cho chúng tôi. Chúng tôi có thể gửi cho bạn nhiều chi tiết hơn và cung cấp cho bạn giá.
Nhà | Về chúng tôi | Các sản phẩm | Tin tức | Ứng dụng | Ủng hộ | Liên hệ chúng tôi
