Số Duyệt:0 CỦA:Yingying Zhou đăng: 2018-08-07 Nguồn:Site
Các một hàng bốn điểm tiếp xúc vòng xoay vòng bao gồm hai seatrings. Nó có tính năng nhỏ gọn trong thiết kế, trọng lượng ánh sáng, các quả bóng tiếp xúc với đường đua tròn ở bốn điểm, qua đó lực trục, lực xuyên tâm và thời điểm kết quả có thể được sinh ra đồng thời. , Hàn bảng điều khiển hoạt động, cần cẩu, máy đào trung bình, máy xúc và máy kỹ thuật khác.
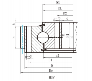
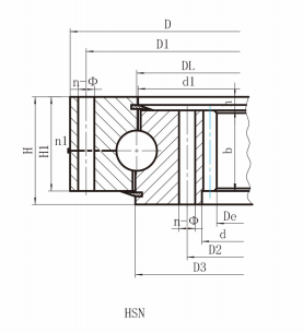
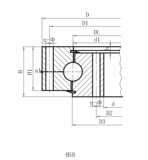
HS Series được thiết kế sẵn, các vòng xoay hồ sơ ánh sáng có các mặt cắt hình chữ nhật, cho phép các mẫu lỗ thay thế, độ cứng được cải thiện và tiềm năng cho công suất cao hơn. Lý tưởng cho cần cẩu, thang máy trên không, derricks của thợ đào, Swivels máng, máy quay xe tải nâng và bàn xoay công nghiệp.


Sê -ri HS có chung bánh răng, thiết bị và độ cứng cốt lõi của cuộc đua. Tuy nhiên, vòng xoay HS có các phần thanh thải giảm và các phần hình chữ nhật cung cấp thêm công suất, độ cứng lớn hơn và ít chuyển động hơn so với sê -ri RK. Vòng bi vòng xoay HS Phạm vi kích thước từ 20 "đến 47 " (500 mm đến 1.200 mm) OD với mặt cắt ngang tiêu chuẩn. Các cấu hình bao gồm các thiết bị không có thiết bị và bên trong (với các phụ kiện ở đường kính ngoài) và các thiết bị bên ngoài (phụ kiện ở đường kính bên trong). Các bánh răng là các thiết kế sơ khai không liên quan với các góc áp suất 20 °, được sản xuất cho AGMA Class Q5 và .015 "đến .025 " phụ cấp cho phản ứng dữ dội.
Vòng bi vòng xoay HS có hai phụ kiện để bôi trơn, cách nhau 180 °. Các chủng tộc Geared đã khai thác các lỗ hổng, trong khi các chủng tộc không thiết kế có thông qua các lỗ hổng. Tất cả đều có con dấu tích hợp được thiết kế để bảo vệ chống ô nhiễm.
Các kỹ sư XZWD áp dụng kinh nghiệm và chuyên môn của họ để tạo ra nhiều giải pháp khác nhau để giải quyết các thách thức mang độc đáo nhất, khiến nhà cung cấp vòng bi cần trục XZWD hàng đầu.
Nhà | Về chúng tôi | Các sản phẩm | Tin tức | Ứng dụng | Ủng hộ | Liên hệ chúng tôi
