Số Duyệt:0 CỦA:Micky Sun đăng: 2018-11-03 Nguồn:Site
"Ứng dụng điển hình " của vòng bi xoay Xuzhou Wanda sẽ thể hiện các điều kiện được liệt kê dưới đây. Phải xem xét đặc biệt để lựa chọn mang và các tính năng bất cứ khi nào các điều kiện ứng dụng khác với các điều kiện được coi là "điển hình ". Những điều kiện ứng dụng điển hình đó là:
· Trục dọc của vòng quay. Về cơ bản, ổ trục được gắn "Flat ".
· Lực đẩy nén và tải trọng thời điểm chiếm ưu thế so với tải trọng căng.
· Tải trọng xuyên tâm giới hạn dưới 10% tải trọng lực.
· Đối với vòng bi đơn hàng, xoay không liên tục (không liên tục) không được vượt quá vận tốc đường cao điểm là 500 feet/phút.
· Nhiệt độ hoạt động từ -40ºF đến +140ºF.
· Gắn hình học bề mặt và quy trình lắp đặt để đảm bảo độ tròn và độ phẳng của cả hai chủng tộc. Một cách tiếp cận ví dụ sẽ là áp dụng tải trọng lực tập trung trong khi thắt chặt các bu lông bằng phương pháp mẫu sao xen kẽ.
· Kiểm tra định kỳ các bu lông gắn để xác minh sức căng thích hợp được cung cấp cho.
· Bôi trơn định kỳ được cung cấp cho.
Xzwd Vòng bi vòng xoay được thiết kế để phù hợp với tải trọng xuyên tâm, lực đẩy và mô men đáng kể như hình dưới đây:
Điều này được thực hiện trong hầu hết các trường hợp bởi hình học đường đua bốn điểm duy nhất, tương tự về khái niệm với vòng bi phần mỏng XZWD X. Điều này cho phép một ổ trục duy nhất phù hợp với cả ba kịch bản tải được ghi nhận ở trên, riêng lẻ hoặc kết hợp của chúng.
Để biết thêm thông tin chi tiết về Xuzhou Wanda Slewing BROWING QUỐC GIA Khả năng tải tham khảo các biểu đồ đường cong tải.
Vòng bi vòng xoay XZWD được sử dụng phổ biến nhất khi xoay chậm, dao động và/hoặc không liên tục. Đối với tính toán giới hạn tốc độ, vui lòng liên hệ với XZWD Engineering.
Vòng bi vòng xoay XZWD thường không được cung cấp dung sai đường kính. Một số ứng dụng vòng xoay đòi hỏi độ chính xác cao hơn. Để hỗ trợ kỹ thuật và thiết kế trên các ứng dụng đặc biệt, vui lòng liên hệ với XZWD Engineering.
Vòng bi vòng xoay XZWD thường được sử dụng trong nhà và ngoài trời nơi có thể tiếp xúc với độ ẩm và ô nhiễm đáng kể là có thể. Phạm vi nhiệt độ bình thường -40 ° F đến +140 ° F (-40 ° C đến +60 ° C) là tiêu chuẩn. Các vòng xoay được thiết kế để hoạt động trong môi trường khắc nghiệt hơn có sẵn từ XZWD, liên hệ với kỹ sư XZWD sớm trong quy trình thiết kế của bạn để xác định giải pháp hệ thống mang tốt nhất cho môi trường khắc nghiệt. Chẳng hạn như nếu bạn muốn sử dụng nó trong này Vòng bi cho cần cẩu, bạn có thể liên hệ với chúng tôi.
Như đã đề cập trước đó, tốt nhất là gắn các vòng bi trong "nén " như hình dưới đây. Điều này đảm bảo rằng tải được mang theo bởi các quả bóng, được biểu thị trong đường cong tải được cung cấp. Nắp căng có công suất ít hơn đáng kể, vì sau đó cường độ bu lông trở thành sự cân nhắc chính cho công suất.
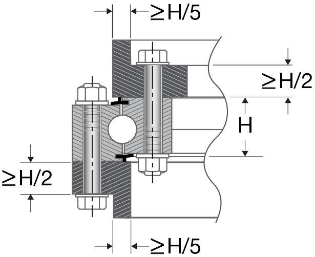
Các bề mặt gắn cần được gia công chính xác cho chức năng thích hợp của ổ trục. Trong trường hợp các mẫu bu lông tiêu chuẩn không thể được cung cấp, liên hệ với XZWD Engineering cho các tùy chọn thay thế. Phải xem xét để gắn trong căng thẳng hoặc nén. Trong căng thẳng, cường độ bu lông trở thành việc xem xét tải giới hạn, đường cong tải không còn được áp dụng và phải xem xét đặc biệt. Xem các hướng dẫn bổ sung dưới đây.
Nói chung, quy tắc này sẽ cung cấp tính toàn vẹn cấu trúc đầy đủ.
Mỡ là chất bôi trơn phổ biến nhất được sử dụng trong vòng bi và ứng dụng bánh răng. Bôi trơn thường xuyên thông qua các phụ kiện dầu mỡ được cung cấp hoặc lỗ mỡ là cần thiết cho hoạt động thích hợp trên các vòng xoay tiêu chuẩn. Đối với các tùy chọn bôi trơn đặc biệt, liên hệ với Xuzhou Wanda Slewing ổ trục.
Khoảnh khắc ma sát có thể được ước tính cho vòng bi xoay bằng cách sử dụng công thức được ghi nhận dưới đây. Các giá trị kết quả giả định rằng ổ trục được gắn theo các hướng dẫn được nêu trong danh mục này. Ước tính này chỉ áp dụng khi tải được áp dụng cho ổ trục và không phản ánh mô -men xoắn bắt đầu trong điều kiện không tải. Cũng không được xem xét là mô -men xoắn ma sát được tạo ra bởi chất bôi trơn, con dấu và trọng lượng của các thành phần. Tuy nhiên, điều này cung cấp một điểm khởi đầu và với các điều chỉnh kinh nghiệm bổ sung có thể được thực hiện trong hội đồng để phù hợp với mô -men xoắn bổ sung.
Khi nào Cài đặt ổ trục , điều quan trọng là đảm bảo rằng ổ trục càng tròn càng tốt. Điều này sẽ tối ưu hóa phân phối tải và thúc đẩy hoạt động trơn tru nhất. Các thủ tục sau đây được khuyến nghị là một trợ giúp.
Sử dụng vòng đệm bằng thép phẳng cứng theo ASTM F436 dưới đầu bu lông, và cả đai ốc. Máy khóa, và các hợp chất khóa trên luồng, không được khuyến khích.
Lắp đặt vòng đệm, đai ốc và bu lông trong cấu trúc ổ trục và hỗ trợ và siết chặt tay. Không làm biến dạng ổ trục để cài đặt bu lông. Áp dụng tải trọng lực trung tâm vừa phải vào ổ trục. Siết chặt các bu lông cho các thông số kỹ thuật của thiết kế thiết bị. Một cách tiếp cận phổ biến là sử dụng một mẫu sao để thắt chặt các bu lông, các chuỗi như trong sơ đồ dưới đây. Mô hình thường được thực hiện theo 3 bước với khoảng 30%, 80% và 100% mô -men xoắn bu lông cuối cùng hoặc mức độ căng được chỉ định bởi nhà thiết kế thiết bị.
Mất căng thẳng thích hợp có thể dẫn đến sự cố bu lông sớm, sự thất bại của ổ trục và cấu trúc, thiệt hại cho các thành phần và tử vong hoặc thương tích cho bất kỳ ai trong vùng lân cận. Các bu lông yêu cầu kiểm tra thường xuyên cho lực căng thích hợp, thường được thực hiện bằng cách đo mô -men xoắn của bu lông.
Nhà | Về chúng tôi | Các sản phẩm | Tin tức | Ứng dụng | Ủng hộ | Liên hệ chúng tôi
